Anasayfa
Ürünler
Sirkülasyon Pompaları
Premix Fanları
HF Serisi
RF Serisi
Hakkımızda
İletişim
TR
|
EN
Performans
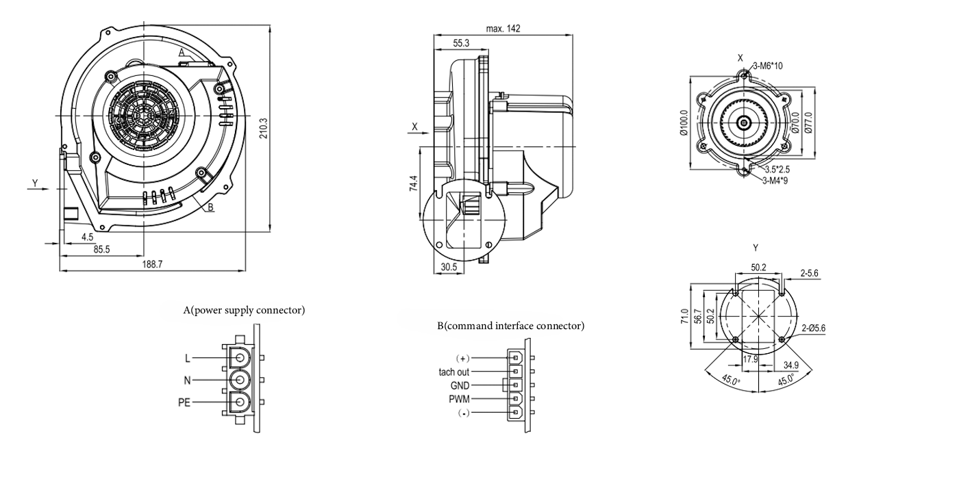
Teknik Çizim